combinational circuits
Summary
Gate-level design
- circuit constructed with pure logic gates
- focus on the logical expression
Block-level design
- components abstracted as “black boxes”
- focus on the higher level idea of each component
Binary coded decimal(BCD)
Circuit delay
- a gate/block needs to wait for the slowest input
Concept
Full adder
- arithmetic addition of 3 single bits, 3rd is for the carry bit
- 2-bit output
- can be implemented using 2 half adders
| 0 | 0 | 0 | 0 | 0 |
| 0 | 0 | 1 | 0 | 1 |
| 0 | 1 | 0 | 0 | 1 |
| 0 | 1 | 1 | 1 | 0 |
| 1 | 0 | 0 | 0 | 1 |
| 1 | 0 | 1 | 1 | 0 |
| 1 | 1 | 0 | 1 | 0 |
| 1 | 1 | 1 | 1 | 1 |

4-bit parallel adder
- arithmetic addition of two 4-bit binary numbers and a carry in
- 5-bit output

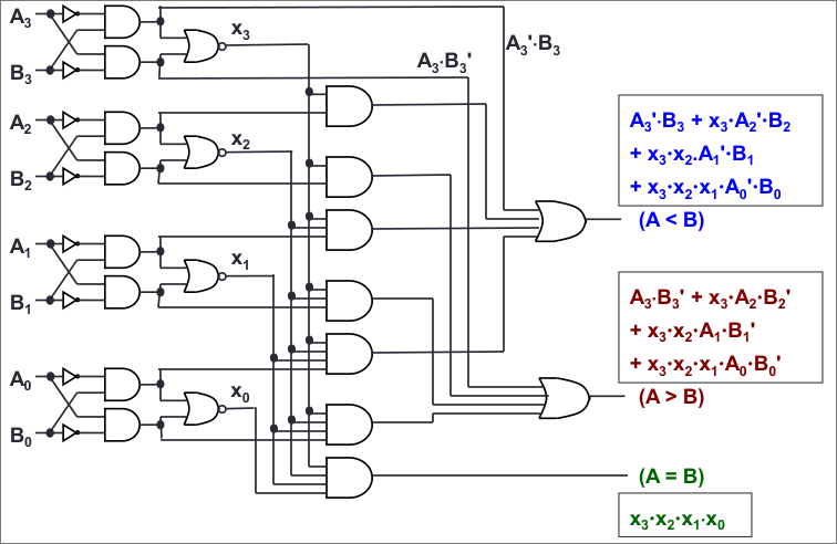
4-bit magnitude comparator
- compare two 4-bit binary numbers
- 3 outputs for
<,>and=

Application
BCD to excess-3
Extra
Expansion of XOR
Negation of XOR