MSI components
Summary
Active high/low
- active high - normal outputs: true is high
- active low - negated outputs: true is low
Constructing decoders
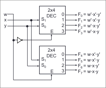
- use two smaller decoders with the additional input and its negation to the enables

watch for whether the decoders are 1-enable or 0-enable
Constructing multiplexers
- use the MSB to discriminate between the outputs of two smaller multiplexers on the other bits

Concept
Decoders
n-bit BCD to2ⁿouputs- each output is a minterm
- 2:4 decoder:
| 0 | 0 | 0 | 0 | 0 | 1 |
| 0 | 1 | 0 | 0 | 1 | 0 |
| 1 | 0 | 0 | 1 | 0 | 0 |
| 1 | 1 | 1 | 0 | 0 | 0 |
- 2:4 decoder with 1-enable:
| 0 | X | X | 0 | 0 | 0 | 0 |
| 1 | 0 | 0 | 0 | 0 | 0 | 1 |
| 1 | 0 | 1 | 0 | 0 | 1 | 0 |
| 1 | 1 | 0 | 0 | 1 | 0 | 0 |
| 1 | 1 | 1 | 1 | 0 | 0 | 0 |
Encoder
2ⁿinputs ton-bit BCD- only one input can be 1
- 4:2 encoder:
| 0 | 0 | 0 | 0 | X | X |
| 0 | 0 | 0 | 1 | 0 | 0 |
| 0 | 0 | 1 | 0 | 0 | 1 |
| 0 | 1 | 0 | 0 | 1 | 0 |
| 1 | 0 | 0 | 0 | 1 | 1 |
- 4:2 encoder with 1-enable:
| 0 | X | X | X | X | X | X |
| 1 | 0 | 0 | 0 | 0 | X | X |
| 1 | 0 | 0 | 0 | 1 | 0 | 0 |
| 1 | 0 | 0 | 1 | 0 | 0 | 1 |
| 1 | 0 | 1 | 0 | 0 | 1 | 0 |
| 1 | 1 | 0 | 0 | 0 | 1 | 1 |
Priority encoders
- encoders that allows for multiple 1s in the input
- encode the MSB to the output
| 0 | 0 | 0 | 0 | X | X | 0 |
| 0 | 0 | 0 | 1 | 0 | 0 | 1 |
| 0 | 0 | 1 | X | 0 | 1 | 1 |
| 0 | 1 | X | X | 1 | 0 | 1 |
| 1 | X | X | X | 1 | 1 | 1 |
Demultiplexer
- 1-bit in,
n-bit selector to2ⁿouputs - equivalent to a decoder with enable, using the enable as the input
Multiplexer
2ⁿinputs ton-bit BCD,n-bit selector
- 4:1 multiplexer:

| 0 | 0 | |
| 0 | 1 | |
| 1 | 0 | |
| 1 | 1 |
- 4:1 multiplexer with 0-enable:
| 1 | X | X | 0 |
| 0 | 0 | 0 | |
| 0 | 0 | 1 | |
| 0 | 1 | 0 | |
| 0 | 1 | 1 |
Application
Implementing functions with decoders
- join the select outputs by some logic gate
using the convention that high is 1
Implementing functions with multiplexers
- supply 1 if the input corresponds to a minterm in the function
74151A 8:1 multiplexer
- 0-enable

| X | X | X | H | L | H |
| L | L | L | L | ||
| L | L | H | L | ||
| L | H | L | L | ||
| L | H | H | L | ||
| H | L | L | L | ||
| H | L | H | L | ||
| H | H | L | L | ||
| H | H | H | L |
Implementing functions using smaller multiplexers
- 8:1 multiplexer using a 4:1
